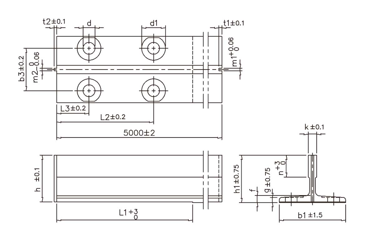
| タイプ Type | 寸法 Dimension (mm) | ||||||||||||||||
|---|---|---|---|---|---|---|---|---|---|---|---|---|---|---|---|---|---|
| b1 | h1 | h | k | n | g | f | m1 | m2 | t1 | t2 | L1 | L2 | L3 | ψd | ψd1 | b3 | |
| R-08 | 78 | 56 | 55 | 10 | 26 | 6 | 8.5 | 3 | 2.95 | 3.5 | 3 | 160 | 114 | 3 | 14 | 28 | 50 |
| R-13 | 89 | 62 | 61 | 15.88 | 33.4 | 7.9 | 11.1 | 6.4 | 6.37 | 7.14 | 6.35 | 156 | 114.3 | 38.1 | 13 | 26 | 57.2 |
| R-18 | 114 | 89 | 88 | 16 | 38 | 8 | 12 | 6.4 | 6.37 | 7.14 | 6.35 | 156 | 114.3 | 38.1 | 17.5 | 34 | 71 |
| R-24 | 127 | 88.9 | 88 | 15.88 | 50.8 | 12.7 | 15.9 | 6.4 | 6.37 | 7.14 | 6.35 | 156 | 114.3 | 38.1 | 17 | 33 | 79.4 |