長岡について
長岡について
会社概要
歴史沿革
イベントハイライト
品質認証
エレベーター電気機械製品
エレベーター電気機械製品
エレベーター巻上機
PMトモーター
エレベーターパーツ
耐火及び防煙製品
耐火及び防煙製品
耐火及び防煙ローラーシャッター
防煙ローラーカーテン
高速ローラーシャッタードア
電気自動車用防火ブランケット
万能防火ブランケット
産業応用製品
産業応用製品
ツールマシン
船舶用の中小型ハイブリッドパワーシステム
省エネ製品
省エネ製品
エネルギー貯蔵再生システム
動画
動画
最新情報
最新情報
お問い合わせ
お問い合わせ
Language
Language
日本語
正體中文
English
長岡について
会社概要
歴史沿革
イベントハイライト
品質認証
エレベーター電気機械製品
エレベーター巻上機
PMトモーター
エレベーターパーツ
耐火及び防煙製品
耐火及び防煙ローラーシャッター
防煙ローラーカーテン
高速ローラーシャッタードア
電気自動車用防火ブランケット
万能防火ブランケット
産業応用製品
ツールマシン
船舶用の中小型ハイブリッドパワーシステム
省エネ製品
エネルギー貯蔵再生システム
動画
最新情報
お問い合わせ
日本語
正體中文
English
閉じる
ホームページ
/
エレベーター電気機械製品
/
エレベーターパーツ
/
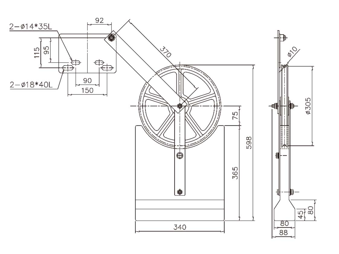
テンションデバイス W-41-305
テンションデバイス W-41-305
モデル番号:
W-41-305
詳細
製品詳細
タイプ
Type
シーブ Sheave
重量
Weight
(kg)
節径
Dia.(PCD)
(mm)
ロープ
Rope
(mm)
W-41-305
ψ305
ψ10
40